Description technique du produit
Mamelon double PVC fileté - PLASSON
DirectCuves vous présente Mamelon double PVC fileté - PLASSON
Le mamelon double PVC fileté est un composant incontournable pour les professionnels du bâtiment, de l’industrie et de la plomberie. Ce raccord assure la connexion efficace et étanche de deux segments de tuyauterie, facilitant le montage et la maintenance des réseaux d’eau. Sa conception robuste en PVC garantit une grande résistance à la pression et à la corrosion, adaptée aux installations aussi bien intérieures qu’extérieures.
Caractéristiques techniques
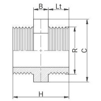
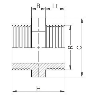
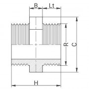
Dimensions : Hauteur de 160 à 355 mm, Largeur de 480 à 560 mm, Profondeur de 330 à 480 mm
Pression nominale à 20°C : 16 bar
Utilisation principale : Raccordement de tuyauteries pour réseaux d'eau
Largeur de bride : de 12 à 20 mm
Quantité par carton : de 42 à 2800 pièces
Matériau : PVC haute qualité, résistant à la corrosion et aux agents chimiques
Avantages détaillés
Avantage 1 : La conception filetée assure un assemblage rapide, fiable et étanche, limitant les risques de fuites.
Avantage 2 : Résiste à une pression nominale élevée de 16 bar, adaptée aux systèmes sous pression professionnels.
Avantage 3 : Le matériau PVC offre une excellente durabilité face à la corrosion et aux agressions extérieures.
Avantage 4 : Différentes tailles disponibles pour s’adapter à vos besoins spécifiques et assurer la compatibilité avec plusieurs diamètres de tuyaux.
Avantage 5 : Polyvalent pour un usage en intérieur comme en extérieur, idéal pour divers types d’installations (eau potable, eaux usées, autres fluides).
Pourquoi choisir ce produit face à la concurrence ?
Caractéristique clé : Les filetages de haute précision garantissent une connexion parfaitement étanche et durable.
Fabrication : Produit en PVC durable, développé pour résister aux conditions d'usage intensif dans le secteur professionnel.
Conception : Optimisé pour des applications professionnelles, il offre facilité d'installation et compatibilité avec plusieurs types de réseaux.
Autre atout : Disponibilité en grande quantité, facilitant la gestion des stocks sur vos chantiers et projets.
Pourquoi acheter ce produit chez DirectCuves ?
Chez DirectCuves, nous sélectionnons exclusivement des produits répondant aux exigences des professionnels.
Notre équipe technique accompagne vos choix en vous offrant des conseils personnalisés adaptés à vos installations.
La qualité des articles distribués et leur durabilité vous garantissent un investissement fiable sur le long terme.
Nous favorisons une approche transparente et professionnelle, essentielle pour vos projets exigeants.
FAQ – Questions fréquentes sur ce produit
Question 1 : Quelle pression ce mamelon peut-il supporter ?
Réponse : Le mamelon double fileté supporte une pression nominale maximale de 16 bar à 20°C, conforme aux standards professionnels.
Question 2 : Est-il adapté pour des installations en extérieur ?
Réponse : Oui, il est fabriqué en PVC résistant à la corrosion, ce qui le rend approprié pour une utilisation extérieure et dans des environnements exposés.
Question 3 : Quelles sont les dimensions disponibles ?
Réponse : Le produit est décliné en plusieurs dimensions, avec une hauteur allant de 160 à 355 mm, une largeur de 480 à 560 mm, et une profondeur de 330 à 480 mm, ainsi qu’une largeur de bride comprise entre 12 et 20 mm.
Conclusion
Commandez dès maintenant votre Mamelon double PVC fileté - PLASSON sur DirectCuves et bénéficiez d’un produit fiable, durable et parfaitement adapté aux besoins spécifiques des professionnels, pour des installations de canalisation performantes et sécurisées.
- Carte bancaire
- Mandat administratif
- Virement classique & instantané
- Location avec option d’achat
- Paiement en 2, 3 ou 4 fois
- Paiement à 30j fdm
Garantie jusqu’à 2500€ pour tous les achats. Grâce à cette garantie de remboursement, vous récupérez le prix d'achat en cas de non-livraison ou de non-remboursement.
Une entreprise Fiable
Grâce à l'obtention de la marque de confiance Trusted Shops, vous achetez en toute sécurité, notamment grâce à la garantie de remboursement.
- Bonne performance économique
- Ethique sociale
- Responsabilité environnementale
- 108e entreprise labellisée
Demandez un devis et obtenez la réponse d’un expert dans les 2 heures qui suivent.

Qui sommes-nous ?
La réactivité
Nos marques
Un SAV à l'écoute
Garantie prix