Description technique du produit
Collet PVC à coller - PLASSON
DirectCuves vous présente Collet PVC à coller - PLASSON
Le Collet PVC à coller est un accessoire indispensable pour les professionnels intervenant dans les installations de plomberie et raccordement de conduites en PVC. Sa fonction principale est de garantir un joint parfaitement étanche entre tuyaux, assurant ainsi la sécurité et la pérennité des systèmes d’évacuation ou d’alimentation en eau.
Adapté pour des applications exigeantes, ce collet se démarque par sa robustesse et sa facilité d’installation, répondant aux besoins des agriculteurs, industriels et professionnels du bâtiment pour des solutions fiables sous pression.
Caractéristiques techniques
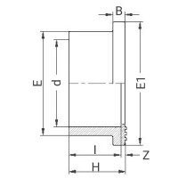
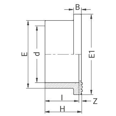
Dimensions : Diamètres disponibles de 20 mm à 315 mm
Longueur hors-tout variant entre 16 mm et 161 mm
Hauteur allant de 310 mm à 380 mm selon la référence
Encombrement de 27 mm à 346 mm
Matériau : PVC de qualité professionnelle
Utilisation principale : Raccordement étanche de tuyaux en PVC en plomberie
Normes et certifications : Pression nominale à 20°C supportée entre 10 et 16 bars
Conditionnement : Collets vendus par carton, quantités de 6 à 2000 pièces selon référence
Avantages et bénéfices
Le Collet PVC à coller - PLASSON garantit une étanchéité supérieure, essentielle pour prévenir toute fuite dans des systèmes sous pression. Cette fiabilité est cruciale dans les domaines de l’assainissement, de la récupération des eaux pluviales ou encore pour le transport de fluides industriels.
Son montage par collage est simple et rapide, ce qui optimise le temps d’installation sur chantiers tout en assurant un joint stable et durable.
Grâce à sa conception en PVC robuste, ce collet résiste efficacement aux contraintes mécaniques et aux agressions chimiques, offrant une longévité remarquable même en environnement professionnel exigeant.
Disponible dans une large gamme de diamètres, il s’adapte aisément à différents types de tuyauteries, facilitant la compatibilité avec les installations existantes ou neuves.
Enfin, sa conformité aux normes de pression professionnelle lui permet d’être utilisé aussi bien dans le bâtiment que dans des applications agricoles ou industrielles nécessitant des équipements fiables.
Conseils d'utilisation et installation
Pour assurer une installation optimale du Collet PVC à coller, nettoyez soigneusement les surfaces à assembler avant application de la colle PVC spécifiquement adaptée.
Respectez les dimensions recommandées pour le choix du collet afin de garantir une parfaite correspondance avec les tuyaux.
Laissez sécher le montage selon le temps préconisé par le fabricant de la colle pour garantir l’étanchéité et la solidité du raccord.
Ce produit convient aussi bien aux raccordements en eau potable, assainissement ou fluides techniques, sous réserve d’utilisation avec les matériaux compatibles.
En cas d’application sous pression, vérifiez systématiquement la pression nominale admise et assurez-vous que l’installation respecte les normes en vigueur.
Pourquoi choisir ce produit face à la concurrence ?
Le Collet PVC à coller - PLASSON se distingue par sa large gamme dimensionnelle de 20 à 315 mm, offrant une flexibilité inégalée pour diverses configurations d’installation.
Fabriqué en PVC de haute qualité, il présente une excellente résistance aux aléas environnementaux et mécaniques, gage de durabilité même dans des conditions complexes.
Sa conception est pensée pour un usage professionnel intensif, avec un montage par collage qui facilite la mise en œuvre tout en assurant un raccordement fiable.
Compatible avec un grand nombre d’accessoires et de tuyaux standards, ce collet permet aux professionnels de réaliser des installations modulables et adaptées à chaque besoin.
Pourquoi acheter ce produit chez DirectCuves ?
DirectCuves sélectionne rigoureusement ses produits pour répondre aux exigences des professionnels en quête de matériaux fiables et performants.
Notre expertise technique permet de conseiller les utilisateurs sur le choix des accessoires adaptés à leurs projets, qu’ils soient agricoles, industriels ou liés au bâtiment.
Nous garantissons des produits conformes aux normes et spécialement adaptés à un usage professionnel intensif, assurant ainsi la sécurité et la qualité des installations réalisées par nos clients.
FAQ – Questions fréquentes sur ce produit
Question 1 : Quelles sont les dimensions disponibles pour le Collet PVC à coller ?
Réponse : Ce collet est disponible dans des diamètres allant de 20 mm à 315 mm, avec des longueurs hors-tout variant entre 16 mm et 161 mm selon les références.
Question 2 : Quelle pression maximale peut-il supporter ?
Réponse : Sa pression nominale à 20°C varie entre 10 et 16 bars, ce qui en fait un produit adapté à de nombreuses applications sous pression.
Question 3 : Est-il simple à installer ?
Réponse : Oui, grâce à la technique de collage prévue, l’installation est rapide et efficace, garantissant un joint étanche durable.
Conclusion
Commandez dès maintenant votre Collet PVC à coller - PLASSON sur DirectCuves et bénéficiez d’un accessoire de plomberie fiable, durable et parfaitement adapté aux exigences des professionnels. Optimisez vos installations avec un produit conçu pour allier performance et facilité de mise en œuvre.
- Carte bancaire
- Mandat administratif
- Virement classique & instantané
- Location avec option d’achat
- Paiement en 2, 3 ou 4 fois
- Paiement à 30j fdm
Garantie jusqu’à 2500€ pour tous les achats. Grâce à cette garantie de remboursement, vous récupérez le prix d'achat en cas de non-livraison ou de non-remboursement.
Une entreprise Fiable
Grâce à l'obtention de la marque de confiance Trusted Shops, vous achetez en toute sécurité, notamment grâce à la garantie de remboursement.
- Bonne performance économique
- Ethique sociale
- Responsabilité environnementale
- 108e entreprise labellisée
Demandez un devis et obtenez la réponse d’un expert dans les 2 heures qui suivent.

Qui sommes-nous ?
La réactivité
Nos marques
Un SAV à l'écoute
Garantie prix