Description technique du produit
Té PVC à 90° - A coller sur d - Taraudé sur Rp - PLASSON
DirectCuves vous présente Té PVC à 90° - A coller sur d - Taraudé sur Rp - PLASSON
Le Té PVC à 90° - A coller sur d - Taraudé sur Rp - PLASSON est un élément essentiel pour la réalisation de réseaux de plomberie et d'irrigation professionnels. Adapté aux installations nécessitant un changement de direction à angle droit, cet accessoire assure une circulation fluide et sécurisée des fluides dans les secteurs industriels, agricoles et du bâtiment.
Caractéristiques techniques
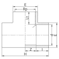
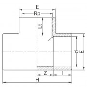
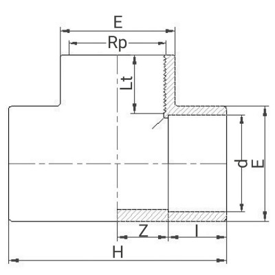
Dimensions (Longueur hors-tout) : de 14 à 61 mm
Hauteur : de 141 à 355 mm
Largeur : de 199 à 560 mm
Profondeur : de 108 à 480 mm
Pression nominale à 20°C : 16 bars
Quantité par carton : de 14 à 1440 pièces
Matériau : PVC rigide de haute qualité
Type d'assemblage : A coller
Type d'extrémité : Taraudé sur Rp (Raccord à pas de vis)
Avantages détaillés
Conception simple et fonctionnelle facilitant une installation rapide et sécurisée.
Résistance élevée à la pression, supportant jusqu’à 16 bars à 20°C, garantissant la fiabilité dans les réseaux sous forte contrainte.
Compatibilité avec différents diamètres de tuyaux PVC grâce à sa diversité de dimensions.
Fabrication en PVC rigide assurant une durabilité renforcée et une excellente résistance à la corrosion.
Design ingénieux permettant un changement de direction à 90° sans compromettre l’étanchéité du système.
Gain de temps lors de l’assemblage grâce à un système de raccordement à coller et taraudé facile à manipuler.
Pourquoi choisir ce produit face à la concurrence ?
Design optimisé garantissant un flux fluide et un changement de direction précis et étanche.
Matériaux rigides et durables adaptés aux environnements exigeants et aux différentes pressions rencontrées dans les installations professionnelles.
Produit conforme aux normes industrielles en vigueur, assurant sécurité et fiabilité pour un usage professionnel intensif.
Large gamme de dimensions disponibles permettant une application sur des installations variées et personnalisées.
Facilité de montage contribuant à une réduction des coûts et des délais d’installation.
Pourquoi acheter ce produit chez DirectCuves ?
Chez DirectCuves, vous bénéficiez d’une sélection rigoureuse de produits exclusivement dédiés aux professionnels des cuves et réseaux de fluides.
Notre équipe technique apporte un conseil personnalisé pour vous accompagner dans le choix des accessoires adaptés à vos projets.
Nous garantissons des produits conformes aux normes et adaptés aux contraintes spécifiques des secteurs agricole, industriel et du bâtiment.
Une logistique rodée assure la disponibilité des références et la prise en charge efficace de vos commandes.
FAQ – Questions fréquentes sur ce produit
Question 1 : Quelles sont les dimensions disponibles pour ce té PVC à 90° ?
Réponse : Le produit est disponible avec une longueur hors-tout variant de 14 à 61 mm, ainsi qu’une hauteur entre 141 et 355 mm, une largeur de 199 à 560 mm, et une profondeur de 108 à 480 mm, couvrant ainsi une large gamme d’applications.
Question 2 : Quelle est la pression maximale supportée par ce té ?
Réponse : Ce té supporte une pression nominale allant jusqu’à 16 bars à 20°C, ce qui lui permet d’être utilisé dans des installations exigeantes en termes de pression.
Question 3 : Ce té est-il compatible avec d’autres types de tuyaux ?
Réponse : Ce té PVC à 90° est spécifiquement conçu pour les tuyaux en PVC et offre une adaptation efficace grâce à son système taraudé sur Rp, garantissant une connexion sécurisée et étanche.
Conclusion
Commandez dès maintenant votre Té PVC à 90° - A coller sur d - Taraudé sur Rp - PLASSON sur DirectCuves et bénéficiez d’un produit fiable, durable et parfaitement adapté aux besoins des professionnels. Grâce à sa robustesse, sa facilité d’installation et sa conformité aux normes, il est un choix sûr pour tous vos projets de plomberie et irrigation.
- Carte bancaire
- Mandat administratif
- Virement classique & instantané
- Location avec option d’achat
- Paiement en 2, 3 ou 4 fois
- Paiement à 30j fdm
Garantie jusqu’à 2500€ pour tous les achats. Grâce à cette garantie de remboursement, vous récupérez le prix d'achat en cas de non-livraison ou de non-remboursement.
Une entreprise Fiable
Grâce à l'obtention de la marque de confiance Trusted Shops, vous achetez en toute sécurité, notamment grâce à la garantie de remboursement.
- Bonne performance économique
- Ethique sociale
- Responsabilité environnementale
- 108e entreprise labellisée
Demandez un devis et obtenez la réponse d’un expert dans les 2 heures qui suivent.

Qui sommes-nous ?
La réactivité
Nos marques
Un SAV à l'écoute
Garantie prix