Description technique du produit
Té à 90° à embouts mâles PE100 PN8 ou 16 - PLASSON
DirectCuves vous présente Té à 90° à embouts mâles PE100 PN8 ou 16 - PLASSON
Le Té à 90° à embouts mâles PE100 PN8 ou 16 - PLASSON est spécialement conçu pour réaliser des dérivations efficaces dans les réseaux de canalisation professionnelle. Adapté aux systèmes nécessitant un changement de direction tout en conservant une parfaite étanchéité, il répond aux exigences des professionnels installant des réseaux d’eau, carburant ou autres liquides sous pression.
Sa robustesse et sa grande fiabilité garantissent une installation pérenne, adaptée aux conditions d’utilisation intensive.
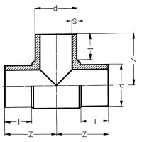
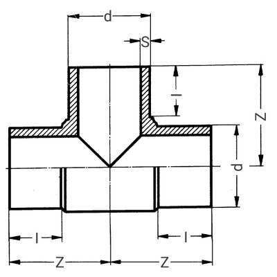
Caractéristiques techniques
Matériau : Polyéthylène haute densité PE100
Diamètre : de 63 mm à 630 mm
Longueur hors-tout : de 67 mm à 350 mm
Largeur : de 228 mm à 1125 mm
Profondeur : de 63 mm à 630 mm
Hauteur : de 146 mm à 775 mm
Pression nominale à 20°C : PN8 ou PN16 (8 à 16 bars)
Avantages et bénéfices
Grâce à sa conception en PE100, ce té assure une excellente résistance à la pression et aux agressions extérieures, ce qui le rend particulièrement adapté aux environnements industriels et agricoles exigeants.
La présence d’embouts mâles facilite l'installation en garantissant une parfaite compatibilité avec les autres éléments de canalisation standard, simplifiant ainsi le raccordement et réduisant les temps de pose.
Disponible dans une large gamme de diamètres, il offre une grande flexibilité pour s’adapter à divers besoins de réseau.
Sa structure robuste lui assure une durabilité élevée, limitant les risques de fuites ou de dégradation dans le temps.
L’utilisation de ce té optimise le flux hydraulique en facilitant des dérivations efficaces, améliorant la distribution et la gestion des liquides dans les installations.
Conseils d’utilisation et d’installation
Le Té à 90° à embouts mâles PE100 PN8 ou 16 - PLASSON s’utilise principalement dans les systèmes de canalisation sous pression pour eau potable, eau industrielle, gazole non routier (GNR) ou autres liquides compatibles avec le PE100.
Pour un montage optimal, veillez à choisir le diamètre correspondant à votre installation afin d’assurer l’étanchéité et la conformité hydraulique.
L’installation doit être réalisée avec une attention particulière à la compatibilité des embouts mâles avec les tubes ou raccords existants, en privilégiant les dispositifs conformes aux normes en vigueur.
L’utilisation d’outils adaptés et le respect des consignes techniques garantissent une connexion stable et durable, à l’abri des fuites et des contraintes mécaniques.
Ce té peut être utilisé en remplacement ou extension de réseaux existants nécessitant une dérivation à 90°, sans modification majeure.
Pourquoi choisir ce produit face à la concurrence ?
Ce té se distingue par sa fabrication en PE100 de haute qualité, répondant aux exigences des normes industrielles les plus strictes.
Sa conception robuste garantit une résistance supérieure à la pression, protégeant les réseaux des risques de casse ou défaillance.
Pensé pour un usage professionnel intensif, il allie sécurité, efficacité et facilité d’installation.
Sa large gamme de dimensions répond à une grande variété d’usages, offrant une solution standardisée et fiable pour les professionnels du bâtiment, de l’agriculture ou de l’industrie.
Produit conforme aux directives et normes en vigueur assurant une utilisation en toute confiance.
Pourquoi acheter ce produit chez DirectCuves ?
DirectCuves sélectionne rigoureusement des produits destinés aux professionnels afin de proposer une gamme fiable et adaptée aux exigences métiers.
Grâce à notre expertise technique, nous sommes en mesure de conseiller et d’accompagner chaque professionnel dans le choix du produit correspondant à ses besoins spécifiques.
Nous privilégions la qualité et la durabilité des matériaux, assurant ainsi la performance des installations.
Acheter chez DirectCuves, c’est bénéficier d’un service dédié aux professionnels, avec des conseils personnalisés et un suivi fiable.
FAQ – Questions fréquentes sur ce produit
Question 1 : Quelle pression supporte ce té ?
Réponse : Le produit est conçu pour supporter des pressions nominales variant de 8 à 16 bars à 20°C, selon la référence choisie.
Question 2 : Ce té est-il compatible avec des raccords en PVC ?
Réponse : Oui, grâce à ses embouts mâles standard, il peut être assemblé facilement avec des raccords en PVC, facilitant l’intégration dans différents réseaux.
Question 3 : L’installation est-elle complexe ?
Réponse : Non, l’installation est simplifiée grâce aux embouts mâles, qui assurent un raccordement rapide sans nécessiter d’outils spécifiques complexes.
Conclusion
Commandez dès maintenant votre Té à 90° à embouts mâles PE100 PN8 ou 16 - PLASSON sur DirectCuves et bénéficiez d’un produit fiable, durable et parfaitement adapté aux besoins des professionnels du bâtiment, de l’agriculture et de l’industrie.
- Carte bancaire
- Mandat administratif
- Virement classique & instantané
- Location avec option d’achat
- Paiement en 2, 3 ou 4 fois
- Paiement à 30j fdm
Garantie jusqu’à 2500€ pour tous les achats. Grâce à cette garantie de remboursement, vous récupérez le prix d'achat en cas de non-livraison ou de non-remboursement.
Une entreprise Fiable
Grâce à l'obtention de la marque de confiance Trusted Shops, vous achetez en toute sécurité, notamment grâce à la garantie de remboursement.
- Bonne performance économique
- Ethique sociale
- Responsabilité environnementale
- 108e entreprise labellisée
Demandez un devis et obtenez la réponse d’un expert dans les 2 heures qui suivent.

Qui sommes-nous ?
La réactivité
Nos marques
Un SAV à l'écoute
Garantie prix