Description technique du produit
Selle de branchement électrosoudable PN16 taraudée - PLASSON
DirectCuves vous présente Selle de branchement électrosoudable PN16 taraudée - PLASSON
La Selle de branchement électrosoudable PN16 taraudée est un équipement spécialement conçu pour le raccordement fiable et sécurisé de canalisations sous pression. Adaptée aux usages professionnels dans les secteurs industriels et du bâtiment, elle assure une étanchéité performante jusqu’à 16 bars.
Sa technologie électrosoudable facilite une installation rapide, limitant le temps passé sur chantier, ce qui est crucial pour les professionnels exigeant efficacité et robustesse.
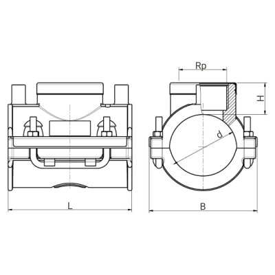
Caractéristiques techniques
Dimensions : Hauteur 330 mm, Largeur 570 mm, Profondeur 490 mm
Largeur bride : de 100 à 126 mm, avec une quantité par carton variant entre 36 et 60 pièces.
Matériau : Non spécifié mais conçu pour résister aux environnements industriels.
Utilisation principale : Raccordement de canalisations sous pression dans des réseaux d’eau potable, industriels ou agricoles.
Normes et certifications : Conforme à la pression nominale PN16 (16 bars) à 20°C, garantissant une sécurité optimale lors des opérations.
Compatibilité : Adaptée à une large gamme de tubes, notamment en PVC et polyéthylène.
Avantages et bénéfices
L’installation par électrosoudage constitue un avantage majeur de cette selle de branchement, permettant un assemblage rapide sans utilisation de joints, ce qui réduit les risques de fuite sur le long terme.
Grâce à sa résistance à la pression de 16 bars, cette selle est parfaitement adaptée aux environnements professionnels où la durabilité et la fiabilité sont indispensables.
Sa conception robuste la rend apte à supporter les contraintes mécaniques liées aux conditions industrielles ou agricoles, assurant ainsi un usage durable.
La compatibilité avec différents types de canalisations offre une flexibilité appréciable, facilitant les réparations ou extensions des réseaux existants sans nécessiter des pièces supplémentaires spécifiques.
Enfin, la forte cadence de livraison (quantité par carton importante) est idéale pour les professionnels réalisant des chantiers à grande échelle, optimisant la logistique.
Conseils d'utilisation et d'installation
L’installation de la Selle de branchement électrosoudable PN16 taraudée doit impérativement être réalisée par électrosoudage, une méthode garantissant un assemblage étanche et robuste sans recours à des joints susceptibles de faillir.
Veillez à ce que les surfaces de contact soient propres et conformes aux exigences techniques du procédé pour assurer une soudure homogène.
Cette selle convient particulièrement aux systèmes de canalisation sous pression où la maintenance rapide et la réduction des interruptions de service sont prioritaires.
Pour garantir une résistance optimale, il est conseillé de respecter les prescriptions du fabricant concernant la pression nominale et la température de fonctionnement maximale (PN16 à 20°C).
Lors de son intégration sur le réseau, assurez-vous que le diamètre de la bride correspond bien à la canalisation afin d’éviter tout problème d’étanchéité ou de fixation.
Pourquoi choisir ce produit face à la concurrence ?
La technologie électrosoudable utilisée par Plasson assure une étanchéité parfaite sans nécessité de joints, limitant ainsi les interventions de maintenance et les risques de fuites, un critère essentiel dans les installations sous pression.
Fabriquée pour supporter rigoureusement les exigences des réseaux industriels et agricoles, cette selle de branchement bénéficie d’une conception optimisée pour un usage professionnel intensif.
Sa compatibilité étendue avec différents matériaux de tuyaux en fait un produit polyvalent, apprécié pour sa capacité à s’adapter à de nombreuses configurations.
La robustesse et la durabilité prévues lors de sa fabrication garantissent une longévité accrue, ce qui représente un investissement rentable pour les professionnels soucieux de qualité et de fiabilité.
Enfin, sa large disponibilité en quantité permet de répondre aux besoins des chantiers de grande envergure sans rupture de stock.
Pourquoi acheter ce produit chez DirectCuves ?
DirectCuves sélectionne rigoureusement ses produits pour offrir aux professionnels des équipements adaptés à des usages intensifs et exigeants.
Notre expertise technique vous garantit un conseil personnalisé afin de vous orienter vers les solutions les plus performantes et adaptées à votre secteur d’activité.
Nous privilégions la fiabilité et la durabilité dans notre gamme pour que chaque achat soit un investissement sûr et pérenne.
L’assistance et le suivi client que nous proposons facilitent l’intégration des produits dans vos projets, minimisant ainsi les risques et optimisant votre productivité.
FAQ – Questions fréquentes sur ce produit
Question 1 : Quelle est la pression maximale que cette selle peut supporter ?
Réponse : La selle de branchement électrosoudable PN16 est conçue pour une pression nominale de 16 bars à 20°C, assurant une étanchéité fiable sous ces conditions.
Question 2 : Est-ce que cette selle est compatible avec tous les types de tuyaux ?
Réponse : Oui, elle est compatible avec une large gamme de conduites, notamment en PVC et polyéthylène, ce qui la rend très polyvalente.
Question 3 : Comment se passe l'installation de cette selle ?
Réponse : L’installation s’effectue par électrosoudage, une technique qui permet une mise en place rapide, sécurisée et sans usage de joints, réduisant ainsi les risques de fuites.
Conclusion
Commandez dès maintenant votre Selle de branchement électrosoudable PN16 taraudée - PLASSON sur DirectCuves et bénéficiez d’un produit fiable, durable et parfaitement adapté aux besoins des professionnels. Faites le choix d’une solution technique performante qui optimise vos installations sous pression avec un gain de temps et une sécurité renforcée.
- Carte bancaire
- Mandat administratif
- Virement classique & instantané
- Location avec option d’achat
- Paiement en 2, 3 ou 4 fois
- Paiement à 30j fdm
Garantie jusqu’à 2500€ pour tous les achats. Grâce à cette garantie de remboursement, vous récupérez le prix d'achat en cas de non-livraison ou de non-remboursement.
Une entreprise Fiable
Grâce à l'obtention de la marque de confiance Trusted Shops, vous achetez en toute sécurité, notamment grâce à la garantie de remboursement.
- Bonne performance économique
- Ethique sociale
- Responsabilité environnementale
- 108e entreprise labellisée
Demandez un devis et obtenez la réponse d’un expert dans les 2 heures qui suivent.

Qui sommes-nous ?
La réactivité
Nos marques
Un SAV à l'écoute
Garantie prix