Description technique du produit
Mamelon PVC - Fileté sur R - Mâle à coller sur D - Femelle réduit à coller sur d - PLASSON
DirectCuves vous présente Mamelon PVC - Fileté sur R - Mâle à coller sur D - Femelle réduit à coller sur d - PLASSON
Ce mamelon en PVC est un raccord spécialement conçu pour faciliter la connexion entre différents types et diamètres de tuyauteries dans les installations professionnelles. Grâce à son filetage précis, il assure une étanchéité optimale et une fixation sécurisée, répondant ainsi aux exigences des secteurs industriels et du bâtiment. Ce produit est idéal pour les opérations de maintenance, de réparation et de mise en place de réseaux de distribution d’eau.
Caractéristiques techniques
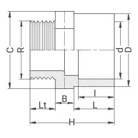
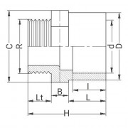
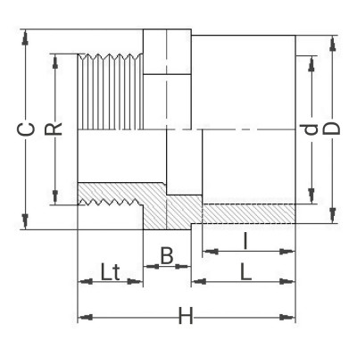
Dimensions : Largeur de 114 mm à 560 mm
Profondeur : de 120 mm à 480 mm
Hauteur : de 120 mm à 355 mm
Conditionnement : vendu par pièces allant de 1 à 10
Quantité par carton : de 24 à 2700 unités
Avantages et bénéfices
L’assemblage est simple et rapide grâce à la conception filetée qui garantit un montage précis et sans fuite, même dans des conditions exigeantes.
La matière en PVC offre une excellente résistance chimique, ce qui le rend compatible avec des environnements industriels exposés à divers agents corrosifs.
Ce mamelon polyvalent s’adapte à plusieurs types et diamètres de tuyaux, permettant ainsi une grande flexibilité d’utilisation dans de multiples configurations.
Sa durabilité est renforcée, assurant un usage prolongé même sous contraintes mécaniques ou environnementales.
Enfin, grâce à sa légèreté et sa maniabilité, il facilite le travail des professionnels sur chantier ou en atelier.
Conseils d’utilisation et d’installation
L’installation du mamelon s’effectue par collage sur les tuyaux à raccorder, après avoir préparé les surfaces conformément aux recommandations des fabricants. Son filetage doit être vissé avec soin pour assurer une étanchéité parfaite et éviter toute fuite.
Ce raccord convient aussi bien pour des applications intérieures que pour des installations extérieures, résistant aux variations climatiques courantes.
Pour garantir la longévité du montage, il est recommandé de vérifier régulièrement l’état du mamelon lors des opérations de maintenance et d’utiliser des produits de nettoyage compatibles avec le PVC.
Pourquoi choisir ce produit face à la concurrence ?
La conception filetée de ce mamelon assure une liaison robuste et étanche, supérieure à bien d’autres raccords standards qui peuvent nécessiter des joints supplémentaires.
Fabriqué en PVC de haute qualité, ce raccord offre une excellente résistance chimique et mécanique adaptée aux usages professionnels intensifs.
Il est pensé pour répondre aux contraintes du métier avec une compatibilité étendue sur plusieurs types de systèmes de tuyauterie, garantissant ainsi une très large possibilité d’intégration.
Enfin, son conditionnement souple permet de s’adapter aux besoins réels des professionnels, du petit chantier aux grandes installations.
Pourquoi acheter ce produit chez DirectCuves ?
DirectCuves propose une sélection rigoureuse de produits adaptés exclusivement aux besoins des professionnels. Chaque article fait l’objet d’une validation technique afin d’assurer fiabilité et conformité.
Notre équipe experte apporte un conseil personnalisé pour accompagner les professionnels du bâtiment, de l’agriculture et de l’industrie dans leurs choix techniques et logistiques.
Enfin, nos solutions sont pensées pour optimiser la gestion et la qualité des installations de tuyauterie et de stockage, indispensables aux performances des professionnels.
FAQ – Questions fréquentes sur ce produit
Question 1 : Quelle est la plage de dimensions disponibles pour ce mamelon ?
Réponse : Le mamelon est disponible en largeurs allant de 114 mm à 560 mm, avec des profondeurs de 120 mm à 480 mm et des hauteurs entre 120 mm et 355 mm, couvrant ainsi un large spectre d’utilisations.
Question 2 : Ce mamelon peut-il être utilisé en extérieur ?
Réponse : Oui, il est fabriqué en PVC résistant, adapté aux installations extérieures et capable de supporter les conditions climatiques habituelles sans perte de performance.
Question 3 : Comment s’effectue l’installation du mamelon ?
Réponse : L’installation se réalise par collage sur les parties mâles et femelles des tuyaux, complétée par un vissage au niveau du filetage pour garantir l’étanchéité.
Conclusion
Commandez dès maintenant votre Mamelon PVC - Fileté sur R - Mâle à coller sur D - Femelle réduit à coller sur d - PLASSON sur DirectCuves et bénéficiez d’un produit fiable, facile à installer et durable, parfaitement conçu pour répondre aux exigences professionnelles en plomberie et tuyauterie.
- Carte bancaire
- Mandat administratif
- Virement classique & instantané
- Location avec option d’achat
- Paiement en 2, 3 ou 4 fois
- Paiement à 30j fdm
Garantie jusqu’à 2500€ pour tous les achats. Grâce à cette garantie de remboursement, vous récupérez le prix d'achat en cas de non-livraison ou de non-remboursement.
Une entreprise Fiable
Grâce à l'obtention de la marque de confiance Trusted Shops, vous achetez en toute sécurité, notamment grâce à la garantie de remboursement.
- Bonne performance économique
- Ethique sociale
- Responsabilité environnementale
- 108e entreprise labellisée
Demandez un devis et obtenez la réponse d’un expert dans les 2 heures qui suivent.

Qui sommes-nous ?
La réactivité
Nos marques
Un SAV à l'écoute
Garantie prix