Description technique du produit
Mamelon double PVC réduit fileté - PLASSON
DirectCuves vous présente Mamelon double PVC réduit fileté - PLASSON
Le mamelon double PVC réduit fileté est un raccord conçu pour connecter efficacement des tuyaux de diamètres différents dans les réseaux d’eau professionnels. Adapté aux installations intérieures comme extérieures, il assure une étanchéité parfaite et une grande résistance à la pression, facilitant ainsi l’adaptation et la pérennité de vos systèmes de plomberie.
Caractéristiques techniques
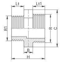
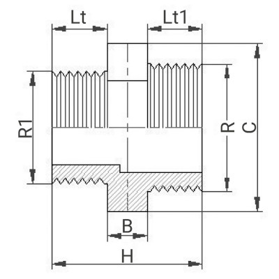
Dimensions disponibles : hauteur de 340 mm à 355 mm, largeur de 480 mm à 560 mm, profondeur de 330 mm à 480 mm
Pression nominale à 20°C : 16 bar
Utilisation principale : raccordement de tuyauteries pour réseaux d’eau de diamètres différents
Quantité par carton : de 35 à 2200 pièces selon référence
Largeur de bride : de 12 mm à 20 mm
Matériau : PVC de haute qualité
Avantages et bénéfices
Le mamelon double PVC réduit fileté permet un raccordement flexible et sécurisé entre tubes de différentes dimensions, indispensable pour les installations professionnelles variées. Sa haute résistance à la pression, pouvant atteindre 16 bar, garantit la fiabilité même dans des contextes exigeants.
Sa fabrication en PVC confère au produit une excellente durabilité face à la corrosion et aux agressions extérieures, ce qui le rend adapté tant pour un usage intérieur qu’extérieur. En outre, sa disponibilité en plusieurs dimensions facilite son intégration dans différents projets sur mesure, évitant le recours à des solutions complexes ou multiples.
Conseils d'utilisation et installation
Le mamelon doit être installé en respectant les diamètres de raccordement spécifiés afin d’assurer l’étanchéité optimale. Il est recommandé d’utiliser les outils adaptés au vissage des filets pour éviter toute détérioration du produit. Pour les réseaux soumis à haute pression ou à des conditions d’utilisation intensives, vérifier régulièrement l’état des joints et des surfaces de contact.
L’utilisation dans des systèmes de distribution d’eau potable, d’irrigation ou d’assainissement est particulièrement appropriée compte tenu de sa robustesse et de sa compatibilité avec différents matériaux de tuyauterie.
Pourquoi choisir ce produit face à la concurrence ?
Le mamelon double PVC réduit fileté se distingue par une conception robuste et une capacité à supporter jusqu’à 16 bar de pression, gage de sécurité et de fiabilité sur le terrain. Sa construction en PVC de qualité supérieure assure une résistance durable aux contraintes mécaniques et à la corrosion, surpassant bien souvent les produits alternatifs non certifiés.
Pensé pour un usage professionnel intensif, ce mamelon bénéficie d’une large gamme de dimensions et d’une disponibilité importante en stock, facilitant les commandes en grandes quantités pour les chantiers et installations industrielles. Ces atouts sont déterminants pour limiter les délais et garantir une continuité dans vos approvisionnements.
Pourquoi acheter ce produit chez DirectCuves ?
DirectCuves sélectionne rigoureusement des produits adaptés aux besoins spécifiques des professionnels du bâtiment, de l’agriculture et de l’industrie. Notre expertise technique nous permet de vous conseiller avec précision pour optimiser vos installations de récupération d’eau, d’assainissement et de distribution.
En choisissant DirectCuves, vous bénéficiez également d’un service dédié aux professionnels, avec des conseils personnalisés et une offre taillée pour les projets professionnels, incluant des volumes importants et une qualité garantie.
FAQ – Questions fréquentes sur ce produit
Question 1 : Quelle est la pression maximale supportée par ce mamelon réduit ?
Réponse : Ce mamelon double réduit fileté supporte une pression nominale de 16 bar à 20°C.
Question 2 : Peut-on utiliser ce mamelon à l’extérieur ?
Réponse : Oui, le PVC utilisé garantit une résistance optimale à la corrosion, permettant une utilisation en extérieur sans degradation prématurée.
Question 3 : Quelles sont les dimensions disponibles pour ce produit ?
Réponse : Les dimensions varient selon les références, avec une hauteur comprise entre 340 et 355 mm, une largeur entre 480 et 560 mm, et une profondeur de 330 à 480 mm. La largeur de la bride est également variable de 12 à 20 mm.
Conclusion
Commandez dès maintenant votre Mamelon double PVC réduit fileté - PLASSON sur DirectCuves et profitez d’un produit professionnel fiable, durable et parfaitement adapté aux exigences des professionnels du bâtiment, de l’agriculture et de l’industrie.
- Carte bancaire
- Mandat administratif
- Virement classique & instantané
- Location avec option d’achat
- Paiement en 2, 3 ou 4 fois
- Paiement à 30j fdm
Garantie jusqu’à 2500€ pour tous les achats. Grâce à cette garantie de remboursement, vous récupérez le prix d'achat en cas de non-livraison ou de non-remboursement.
Une entreprise Fiable
Grâce à l'obtention de la marque de confiance Trusted Shops, vous achetez en toute sécurité, notamment grâce à la garantie de remboursement.
- Bonne performance économique
- Ethique sociale
- Responsabilité environnementale
- 108e entreprise labellisée
Demandez un devis et obtenez la réponse d’un expert dans les 2 heures qui suivent.

Qui sommes-nous ?
La réactivité
Nos marques
Un SAV à l'écoute
Garantie prix