Description technique du produit
Kit de branchement électrosoudable NF 136-GAZ - D25 - PLASSON
DirectCuves vous présente le Kit de branchement électrosoudable NF 136-GAZ - D25 - PLASSON
Ce kit est spécifiquement conçu pour garantir une connexion sécurisée et durable dans les installations de gaz professionnel. Il répond aux normes strictes de sécurité, assurant une fiabilité optimale dans les environnements industriels et commerciaux où la sécurité et la qualité des branchements gaz sont essentielles.
Caractéristiques techniques
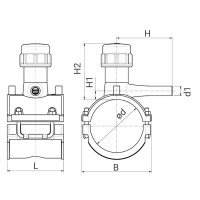
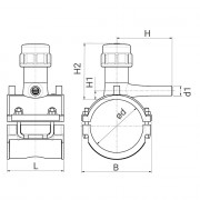
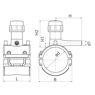
Dimensions : Hauteur 330 mm, Largeur 570 mm, Profondeur 490 mm
Largeur bride : de 66 à 202 mm
Diamètre x Diamètre réduit : de 40 à 200 mm
Pression nominale à 20°C : 4 bar
Vendu à l’unité
Quantité par carton : de 8 à 52 pièces
Avantages et bénéfices
Ce kit facilite grandement l’installation grâce à ses éléments préfabriqués, permettant un montage rapide et précis sans risque d’erreur.
Conforme aux normes NF, il garantit un usage sécurisé, limitant les risques de fuites et assurant la sécurité des installations.
Sa construction robuste lui assure une durabilité importante, même sous des conditions de pression élevées et dans des environnements exigeants.
Sa polyvalence lui permet d’être utilisé dans diverses applications de gaz, offrant ainsi une solution adaptée à différents projets professionnels.
La conception rigoureuse réduit efficacement le risque de fuites, véritable enjeu dans la gestion des réseaux de gaz.
Conseils d'utilisation et d'installation
L’installation de ce kit doit être réalisée conformément aux instructions fournies, en respectant les consignes de sécurité liées aux réseaux de gaz.
Les composants préfabriqués facilitent la mise en place, mais il est recommandé de faire appel à un professionnel certifié pour assurer la conformité et la sécurité du branchement.
Le kit peut être utilisé pour des connexions variées grâce à sa gamme de diamètres et largeurs adaptées à différents types de conduites de gaz.
Pourquoi choisir ce produit face à la concurrence ?
Ce kit se distingue par sa conception dédiée aux applications de gaz, offrant une sécurité renforcée adaptée aux exigences professionnelles.
Fabriqué selon les normes NF, il répond aux critères de qualité et de fiabilité indispensables dans le secteur.
Pensé pour un usage intensif en milieu professionnel, il garantit une longévité et une résistance adaptées aux contraintes industrielles.
Un service après-vente et une garantie accompagnent ce produit, assurant un accompagnement complet aux utilisateurs.
Pourquoi acheter ce produit chez DirectCuves ?
Chez DirectCuves, tous les produits sont soigneusement sélectionnés pour répondre aux besoins spécifiques des professionnels.
L’expertise technique de notre équipe vous offre un conseil personnalisé pour vous guider vers la solution la plus adaptée à votre installation.
Nous privilégions la qualité, la fiabilité et la conformité pour garantir votre satisfaction et la sécurité de vos projets.
FAQ – Questions fréquentes sur ce produit
Question 1 : Quelle est la pression maximale d'utilisation ?
Réponse : La pression nominale maximale recommandée à 20°C est de 4 bar, assurant un usage sécurisé dans les conditions standards des réseaux de gaz.
Question 2 : Ce kit est-il compatible avec d'autres matériaux ?
Réponse : Oui, il est compatible avec une large gamme de matériaux utilisés dans les installations de gaz, ce qui permet une grande polyvalence d’utilisation.
Question 3 : L’installation est-elle complexe ?
Réponse : Le kit est conçu pour faciliter l’installation grâce à ses éléments préfabriqués et des instructions claires, mais il est conseillé de recourir à un professionnel qualifié pour garantir la conformité et la sécurité.
Conclusion
Commandez dès maintenant votre Kit de branchement électrosoudable NF 136-GAZ - D25 - PLASSON sur DirectCuves et bénéficiez d’un produit fiable, durable et parfaitement adapté aux besoins des professionnels exigeants du secteur gazier.
- Carte bancaire
- Mandat administratif
- Virement classique & instantané
- Location avec option d’achat
- Paiement en 2, 3 ou 4 fois
- Paiement à 30j fdm
Garantie jusqu’à 2500€ pour tous les achats. Grâce à cette garantie de remboursement, vous récupérez le prix d'achat en cas de non-livraison ou de non-remboursement.
Une entreprise Fiable
Grâce à l'obtention de la marque de confiance Trusted Shops, vous achetez en toute sécurité, notamment grâce à la garantie de remboursement.
- Bonne performance économique
- Ethique sociale
- Responsabilité environnementale
- 108e entreprise labellisée
Demandez un devis et obtenez la réponse d’un expert dans les 2 heures qui suivent.

Qui sommes-nous ?
La réactivité
Nos marques
Un SAV à l'écoute
Garantie prix