Description technique du produit
Coude PVC à 90° avec bague de renfort - A coller sur d - Taraudé sur Rp - PLASSON
DirectCuves vous présente Coude PVC à 90° avec bague de renfort - A coller sur d - Taraudé sur Rp - PLASSON
Ce coude PVC à 90° avec bague de renfort est conçu pour faciliter les changements de direction dans les réseaux de canalisation utilisés par les professionnels du bâtiment, de l’agriculture et de l’industrie. Sa conception robuste assure une étanchéité optimale et une grande résistance à la pression, tout en garantissant une installation rapide grâce à son système à coller.
Caractéristiques
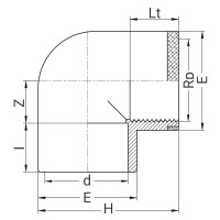
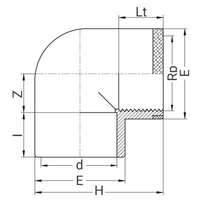
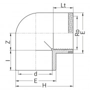
Dimensions : longueur hors-tout entre 14 mm et 38 mm, encombrement de 20 mm à 73 mm, hauteur fixe de 340 mm
Pression nominale : supporte jusqu’à 16 bars à 20°C
Vendu à l’unité avec quantités par lot allant de 1 à 10 pièces
Conditionnement : de 72 à 2000 pièces par carton selon les références
Dimensions carton : largeur 560 mm, profondeur 480 mm
Matériau : PVC de haute qualité
Type de raccordement : à coller sur diamètre (d), taraudé sur Rp
Avantages détaillés
Installation simplifiée et rapide grâce à la méthode de collage, éliminant le besoin d’outils complexes ou de techniques de soudure.
Bague de renfort intégrée assurant une meilleure résistance mécanique et une tenue renforcée face aux pressions élevées.
Compatibilité avec une large gamme de diamètres de tuyaux, offrant une grande flexibilité d’usage dans divers systèmes de canalisation.
Capacité à supporter des pressions nominales jusqu’à 16 bars, répondant aux exigences des installations professionnelles les plus critiques.
Conception compacte idéale pour les espaces restreints, garantissant une étanchéité parfaite sans compromettre la facilité de mise en place.
Pourquoi choisir ce produit face à la concurrence ?
Sa bague de renfort distincte augmente la robustesse du coude, ce qui en fait un choix sûr dans les environnements soumis à des contraintes élevées.
Fabriqué en PVC durable de haute qualité, ce coude résiste efficacement aux agressions chimiques et à l'usure liée au temps.
Pensé spécialement pour un usage professionnel intensif, il combine facilité d'installation et performances durables sans compromis.
Conforme aux normes en vigueur, il garantit fiabilité et sécurité sur les chantiers et dans les installations industrielles.
Pourquoi acheter ce produit chez DirectCuves ?
DirectCuves propose une sélection rigoureuse de produits destinés exclusivement aux professionnels, assurant ainsi qualité et conformité.
Vous bénéficiez d’une expertise technique pointue avec un accompagnement personnalisé pour vous aider à choisir le matériel adapté à vos besoins spécifiques.
Notre offre inclut des produits pertinents qui répondent aux exigences métiers, garantissant fiabilité et performance.
FAQ – Questions fréquentes sur ce produit
Question 1 : Quelle pression maximale peut supporter ce coude ?
Réponse : Ce coude PVC est conçu pour résister à une pression nominale maximale de 16 bars à 20°C, adapté aux infrastructures nécessitant une forte résistance hydraulique.
Question 2 : Quelle méthode d'installation recommande-t-on ?
Réponse : L’installation doit être réalisée en utilisant une colle spécifique pour PVC, assurant une liaison solide et durable entre les éléments.
Question 3 : Ce coude est-il durable dans le temps ?
Réponse : Oui, grâce à sa fabrication en PVC de qualité et sa bague de renfort intégrée, ce coude garantit une résistance optimale et une longévité élevée même en usage intensif.
Conclusion
Commandez dès maintenant votre Coude PVC à 90° avec bague de renfort - A coller sur d - Taraudé sur Rp - PLASSON sur DirectCuves et bénéficiez d’un produit fiable, durable et parfaitement adapté aux besoins des professionnels. Ce raccord vous assure une installation efficace avec une étanchéité durable pour tous vos projets d’irrigation, plomberie ou systèmes de canalisation industriels.
- Carte bancaire
- Mandat administratif
- Virement classique & instantané
- Location avec option d’achat
- Paiement en 2, 3 ou 4 fois
- Paiement à 30j fdm
Garantie jusqu’à 2500€ pour tous les achats. Grâce à cette garantie de remboursement, vous récupérez le prix d'achat en cas de non-livraison ou de non-remboursement.
Une entreprise Fiable
Grâce à l'obtention de la marque de confiance Trusted Shops, vous achetez en toute sécurité, notamment grâce à la garantie de remboursement.
- Bonne performance économique
- Ethique sociale
- Responsabilité environnementale
- 108e entreprise labellisée
Demandez un devis et obtenez la réponse d’un expert dans les 2 heures qui suivent.

Qui sommes-nous ?
La réactivité
Nos marques
Un SAV à l'écoute
Garantie prix