Description technique du produit
Collet-bride réduit PN10 avec joint torique - PLASSON
DirectCuves vous présente Collet-bride réduit PN10 avec joint torique - PLASSON
Le Collet-bride réduit PN10 avec joint torique est un composant clé pour assurer l’étanchéité optimale des installations de plomberie et tuyauterie professionnelles. Conçu pour relier solidement divers éléments de canalisation, il garantit une connexion durable, notamment dans les réseaux d’eau potable et les installations agricoles ou industrielles nécessitant une parfaite fiabilité.
Caractéristiques techniques
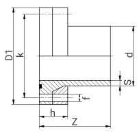
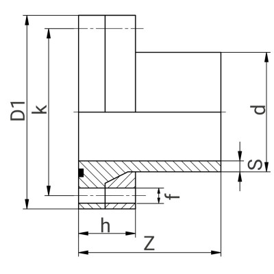
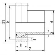
Dimensions : diamètre extérieur de 90 mm jusqu’à 630 mm
Hauteur variant de 185 mm à 671 mm
Largeur comprise entre 285 mm et 675 mm
Profondeur de 185 mm à 671 mm selon modèle
Diamètre nominal de 65 mm à 500 mm adaptés aux différents raccordements
Avantages détaillés
Conception robuste et fiable, assurant une excellente étanchéité sur le long terme, même dans des conditions exigeantes.
Facilité d’installation grâce à des dimensions standardisées, permettant un montage rapide et sécurisé sur site.
Polyvalence d’utilisation : compatible avec de nombreux systèmes de tuyauterie dans les secteurs agricole, industriel et bâtiment.
Grande résistance aux variations de pression grâce à une fabrication conforme aux standards PN10, pour un usage sûr en toutes circonstances.
Joint torique inclus, optimisant la performance d’étanchéité et réduisant le risque de fuite au niveau des connexions.
Pourquoi choisir ce produit face à la concurrence ?
Sa conception spécifique réduit significativement les risques de fuites, un atout majeur pour les installations professionnelles où la sécurité et la durabilité sont primordiales.
Fabriqué avec des matériaux de haute qualité, ce collet-bride assure une durabilité accrue, adaptée à des utilisations intensives.
Pensé pour un usage professionnel intensif, il offre confort et sécurité à l’installation, tout en répondant aux exigences normatives du secteur.
Labellisé conforme aux normes en vigueur, il garantit une qualité maîtrisée et un confort d’utilisation facilité.
Pourquoi acheter ce produit chez DirectCuves ?
Choisir DirectCuves, c’est opter pour une sélection rigoureuse de produits destinés exclusivement aux professionnels. Chaque article est choisi pour répondre aux exigences techniques les plus strictes du monde de la récupération d’eau, de l’assainissement et du stockage.
Notre expertise technique et notre accompagnement personnalisé vous garantissent un conseil adapté à vos projets, quelle que soit la complexité de votre installation.
FAQ – Questions fréquentes sur ce produit
Question 1 : Quelle est la plage de diamètre disponible pour ce collet-bride ?
Réponse : Le collet-bride réduit PN10 avec joint torique est disponible dans des diamètres allant de 90 mm à 630 mm, ce qui permet une application sur une large gamme de canalisations.
Question 2 : Ce produit est-il facile à installer ?
Réponse : Oui, ses dimensions standardisées et le joint torique fourni assurent une installation rapide, aisée et fiable même pour des systèmes complexes.
Question 3 : Quelle est la résistance à la pression de ce collet-bride ?
Réponse : Conçu pour les pressions PN10, ce collet-bride supporte des conditions de pression élevées, ce qui garantit une utilisation sûre dans de nombreux environnements professionnels.
Conclusion
Commandez dès maintenant votre Collet-bride réduit PN10 avec joint torique - PLASSON sur DirectCuves et bénéficiez d’un produit fiable, durable et parfaitement adapté aux besoins des professionnels du bâtiment, de l’agriculture et de l’industrie.
- Carte bancaire
- Mandat administratif
- Virement classique & instantané
- Location avec option d’achat
- Paiement en 2, 3 ou 4 fois
- Paiement à 30j fdm
Garantie jusqu’à 2500€ pour tous les achats. Grâce à cette garantie de remboursement, vous récupérez le prix d'achat en cas de non-livraison ou de non-remboursement.
Une entreprise Fiable
Grâce à l'obtention de la marque de confiance Trusted Shops, vous achetez en toute sécurité, notamment grâce à la garantie de remboursement.
- Bonne performance économique
- Ethique sociale
- Responsabilité environnementale
- 108e entreprise labellisée
Demandez un devis et obtenez la réponse d’un expert dans les 2 heures qui suivent.

Qui sommes-nous ?
La réactivité
Nos marques
Un SAV à l'écoute
Garantie prix